概観
クイック詳細
構造:
- 推力
タイプ:
- ローラー
該当する産業:
- 建材店、製造工場、機械修理店、食品および飲料工場、建設工事、エネルギーおよび鉱業、鉱業機械、ギアボックス、振動機械
ブランド名:
- WXING
モデル番号:
- 294/1000 EM
精度評価:
- P6、P0 P6 P5 P4
シールのタイプ:
- 開いた
行数:
- 単列
原産地:
- 山東
材料:
- クロム鋼GCR15
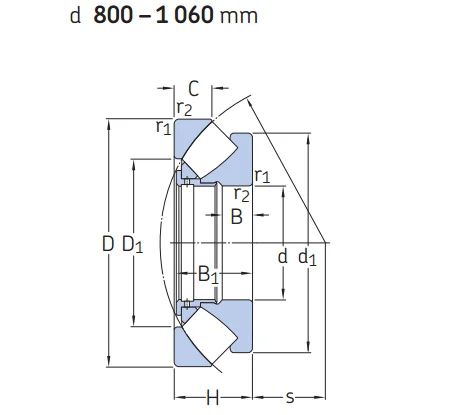
サイズ:
- 1000x1670x402mm
供給能力
供給能力:
1週間あたりの100000セット/セット
梱包と配送
パッケージの詳細
1.中立パッケージ&木製パッケージ
2.カートンpackage + pallet
3.木製のpackage + pallet
港
青島港
リードタイム :
数量(セット) 1-1000 > 1000 EST(東部基準時。 時間(日) 7 交渉される
製品説明
サイズ情報
人気ラベル: 294/1000 em球面ローラースラストベアリング、中国、メーカー、サプライヤー、工場、カスタマイズ、価格、中国製







